Секретната брава MMS - надеждно решение за високо ниво на сигурност
Секретната брава MMS представлява изключително надеждно и сигурно решение за заключване на врати. Тя е специално проектирана с уникален секретен език, който предоставя допълнителна функционалност и повишена сигурност.
В сравнение с обикновените брави на пазара, секретната брава MMS предлага следните предимства:
1. Уникален секретен език: той е основният компонент на бравата MMS като е специално разработен и използва уникална комбинация от механизми, които гарантират висока степен на сигурност. Този секретен език не е лесно подвластен на обичайните методи за отключване и проникване с взлом.
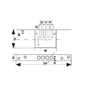
2. Размери и вариации: бравата с бранд MMS е на разположение в размер 85/35 мм и патрон 63 мм. Бравата се предлага с 3 броя ключове в комплекта. Разстояние A 16 мм, разстояние B 23 мм и разстояние C 12 мм. Бравите се различават по размер на бексет и на междуцентрие. Преди да поръчате брава е нужно да сте наясно точно какви размери ще са ви нужни. Бексет се нарича разстоянието от челната планка до центъра на квадрата за дръжките по хоризонтала. А междуцентрие е разстоянието по вертикала от центъра на квадрата за дръжките до центъра на кръглия отвор за патрона.
3. Видове езици: бравите MMS идват със секретен език, като се предлага голямо разнообразие на пазара. Това включва езикови брави, шипови, с ролка или език, предназначени специално за алуминиева и PVC дограма. Това позволява на потребителите да изберат брава, която отговаря на конкретните им нужди и предпочитания.
4. Здравина и устойчивост: секретната брава MMS е изработена от висококачествени материали, което гарантира нейната здравина и устойчивост на външни влияния. Това я прави подходяща като средство за подсигуряване на защитата на вашият дом или бизнес. Секретната брава MMS е надеждно решение за всички, които търсят по-високо ниво на сигурност и функционалност в своите врати. С уникалния си секретен език, както и възможността за комбиниране със секретни ключалки, тази брава предлага оптимална защита и контрол върху достъпа до вашия дом или офис. Монтажът на секретната брава MMS изисква някои основни стъпки и използването на широко разпространени инструменти.
Ето процесът на монтаж:
1. Подготовка на вратата: Започнете като подготвите вратата, върху която ще монтирате секретната брава. Уверете се, че вратата е правилно подравнена и стабилна. Снемете размерите на бексета и междуцентрието, които ще бъдат необходими за правилната инсталация на бравата.
2. Отбележете местата за пробиване: Използвайте маркер или молив, за да отбележите точките, където ще се пробиват отворите за бравата. Внимателно измерете и отбележете позициите на отворите за ключалката и патрона.
3. Пробиване на отворите: Използвайте подходящо свредло или боркорона с точен размер, за да пробиете отворите за ключалката и патрона. Бъдете внимателни и следвайте отбелязаните точки за да осигурите правилно пасване на бравата.
4. Монтаж на бравата: Поставете секретната брава MMS в предварително подготвената ниша и напаснете направените от вас отвори. Уверете се, че бравата е правилно поставена и подравнена. Използвайте винтове, за да затегнете бравата към вратата.
5. Проверка на функционалността: След като монтирате бравата, проверете дали ключът се върти гладко в ключалката и дали механизмът й работи правилно. Уверете се, че вратата се затваря и отваря плавно и че патрона заключва и отключва безпроблемно.
6. Тестване на сигурността: Последната стъпка е да тествате сигурността на монтираната секретна брава. Проверете дали е устойчива на възможни опити за взлом и дали осигурява надеждно заключване на вратата. Важно е да отбележим, че процесът на монтаж може да варира в зависимост от конкретните условия на поставяне и самия вид на вратата.
Винаги се стремете стриктно да следвате инструкциите, предоставени от производителя, и ако е необходимо, потърсете помощ от професионалист в областта, за да се гарантира правилната инсталация на секретната брава MMS.